Version 2.0
User’s Guide
Ó Tolvan
Data 2005-2008
2008-05-18
Q value of active filter sections
Understanding and determining Le
and Le loss
The Q value is a way to specify the
“peakedness” of a resonance. The letter “Q” stands for “quality” and originates
in the early days of radio technology, where a high Q value resulted is a high
selectivity between radio stations. The Q value has since become an important
part of the description of any resonant system. In the case of loudspeakers, a
high Q value is not synonymous with a high quality. Rather, selecting the appropriate
Q value for the driver and box is an essential part of the design process.
A resonance occurs when the reactance of a capacitive and an inductive element cancels each other. In real cases, there is always a resistive component left and the ratio between the resistive component and each of the canceling reactive components determines the Q value of the resonance. In the electrical domain, the reactive elements are capacitors and inductors, in the mechanical domain they are springs and masses, and in the acoustical domain they are box cavities and acoustic masses.
In several cases Basta! uses Q
values to specify resistive losses. An example of this is example the Qts
value of the driver, but also the damping in the box or the vent of a vented
box. Without going into the details of which resonance circuits that have these
Q values (these details are available in the technical documentation), low Q
values are associated with large losses, and high Q values with low losses.
Note: The resistive part of a
resonance circuit is often (and correctly) associated with the term “loss”,
probably due to that resistive elements can dissipate power. To some people
this word has a negative ring, but in the case of loudspeakers having the right
amount of losses is essential; in fact it is the same as having the right Q
value.
The active filters in Basta! are built by one
or more second or first order filter sections. Both types have a cutoff frequency,
and the second order filters also have a Q value. This Q value determines the
amplitude for the response of the section at the crossover frequency.

Response
of five different second order lowpass filters with a cutoff frequency of 1000
Hz. The black curve corresponds to Q=2, red to Q=1, yellow to Q=0.7 green to
Q=0.5 and blue to Q=0.3.
The Qts value of the driver has an
effect on the response of a closed box system that is very similar to that of
the Q value of a highpass filter. For other box types, there is a more complex
relation with the response due to other resonances of the system, still the Qts
is important for the design.

Response
of five different large closed boxes with an fs of 100 Hz. The black
curve corresponds to Qts=2, red to Qts=1, yellow to Qts=0.7
green to Qts=0.5 and blue to Qts=0.3. Similar curves can
occur in small closed boxes as well, but the resulting resonant frequency and Q
value will become higher than fs and Qts.
Damping material in the box is often necessary in order to take control of resonances (“standing waves”) in the air cavity, Apart from controlling these resonances it also has two additional effects that are important for the low-frequency properties of the box.
The first is that it lowers the Qb value for the box. It is however difficult to determine an exact box Q value from the amount of damping material in the box, since the final Q depends on the placement and types of damping material. While a box Qb<2 can be considered a heavily damped box and Qb>20 may be considered sparsely damped, the exact value is best determined by comparing the electrical impedance curves of the simulated and the real system.
The second effect of the damping material is that it makes the compression/decompression of air in the box isothermal, rather than adiabatic due to heat exchange between the air and the damping material. The result of this is that the box cavity appears up to 40% larger. In Basta! this effect can be considered by using the Viso parameter, that tells how big a percentage of the box that is filled with material with ideal isothermal properties.
There are also losses in the vent. These are
usually small and there is little reason to add damping here. The Qp
value in Basta! determines this loss, and a Qp of 20 may be
considered normal, less if the vent is narrow, or if there is damping material
inside the box, near the inner exit of the tube.
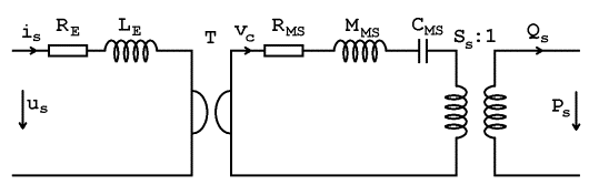
Internally in Basta! the driver is modeled by the components in the diagram below. However, the user interface does not request the values of these components directly, but rather the Thiele/Small (T/S) parameters. These two ways of describing the system are equivalent, however, the T/S parameters allows for quicker evaluation of a driver’s suitability for a specific system design.
It can be seen in the diagram below
that the mechanical components form a resonant circuit, with a resonance
frequency fs, which is determined by the moving mass MMS
and the suspension compliance CMS. w02=1/(MMSCMS) Resonant
circuits also have a Q value. This Q value is defined as the ratio between the
reactive and resistive impedances at resonance i.e. QMS=w0MMS/RMS=1/(w0CMSRMS). Now, when the
driver is connected to a low output impedance amplifier, any motion of the cone
will generate a current in the voice coil. This current leads to a power loss
in the voice coil resistance and this in turn leads to an added virtual mechanical
resistance RME on the mechanical side. If this resistance is
considered, instead of RMS, another Q value can be calculated, QES=w0MMS/RMS=1/(w0CMSRME). However, in
practice the most important Q value is the one where both these resistances are
considered QTS=w0MMS/(RMS+RME)=1/(w0CMS(RMS+RME))=QMSQES/(QMS+QES).
The CMS value can be set in relation to the compliance that the box
adds to the system. To do that, CMS can be expressed as an
equivalent volume, Vas, given the piston area Sd of the driver. CMS is determined
from Vas and Sd by CMS=Vas/(r0c2Sd). Finally, the force
factor T, also known as Bl, determines the ratio between the force delivered by
the voice coil to the cone and the voice coil current.

The three parameters fs, Qts and Vas have direct meanings for the design of loudspeaker systems, and a few rules of thumb can be set up. Remember that these rules are not definite, but can be used to select a driver for a certain design. The final system design should always be simulated and should not be based on these rules only.
Open baffle systems. fs can be considered as a definitive lower limit for the frequency response, and high Qts values of up to 1.5-2 can be useful. The Vas value is of little interest since there is no box.
Closed box systems: The box adds suspension stiffness, so the resonant frequency in the box, fc is always higher than fs. Also, the Q value in the box Qc is higher than Qts if the box contains no damping material. One reasonable design goal for the closed box is a Qc of 0.7. The Vas parameter is related to the box size required to achieve the design goal. Drivers with a low Qts can be used in small boxes (compared to Vas), but also lead to a high cutoff frequency (compared to fs). Qts values in the range 0.1 – 0.6 can be considered useable for closed box systems.
Vented box: Low Qts values (<0.3)
can lead to small boxes, but with a roll-off towards lower frequencies. Qts
values of around 0.4 can give a flat Butterworth response with a sharp knee at
the lower cutoff frequency, values larger than 0.5 are usually not suitable for
vented boxes, since it leads to a resonant response and/or very large boxes.
Bandpass boxes works best with Qts<0.4.
A high Qts yields a narrower bandwidth, but also a higher
efficiency. The bandpass response is approximately centered around fs,
which can be an advantage compared to the baffle/closed box/vented box that
typically have their operating frequency range above fs.
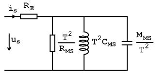
AC-bass is a method to control the apparent mechanical parameters of a loudspeaker driver by changing the electrical output impedance of the driving power amplifier. To understand the principle, you must understand basic electric circuit theory and mechanical-electrical analogies.
The loudspeaker driver can be modeled by its electrical voice coil impedance, a gyrator, and the mechanical impedance of the cone and its suspension. For this explanation of AC-bass the following simplifications are made:
The
equivalent diagram for the driver then looks like this.

It can be seen here that the voltage
us generates a current is through the voice coil
resistance and the gyrator. This current generates a force on the mechanical
side, which is Fc=T×is i.e. T is the force
factor of the driver, also known as Bl. The force acts on the mechanical
components and they all get the same velocity vc. vc, in
turn generates a back EMF ug=vc×T that is visible over the gyrator
on the electrical side.
![]()
where the mechanical impedance ZMS=RMS+sMMS+1/sCMS.
The fact that the back EMF is proportional to is results in that the
effects appear as an impedance, i.e. the mechanical impedance is visible
on the electrical side as an electrical impedance. This impedance has the value
T2/ZMS. It is possible to draw an equivalent circuit for
the electrical impedance:

It can be seen that the mechanical
impedance is replaced with its dual network, i.e. a series connection is
replaced by a parallel connection, an inductance is replaced with a capacitance
and a resistance is replaced by a conductance. The circuit can be transformed
back to the mechanical side, and if Re is included in this
transformation, the mechanical impedance looks like this:

which is equivalent to:

Here we can see that the component on the electrical side (Re) is seen also on the mechanical side, just as the mechanical components had an impact on the electrical impedance. This effect on the mechanical side is very real; try to sense the difference on the mechanical impedance by pushing the cone of a loudspeaker with the hand. When the driver terminals are shorted, the hand senses a much higher resistance.
Now, if the driver is connected to an AC-bass amplifier, the equivalent electric circuit becomes like this:

It can be seen that the voice coil resistance is cancelled by Racneg and that the three components in the electrical output impedance Rac, Lac and Cac can be used to control the apparent mass compliance and damping on the electrical side. When these components have been transformed to the mechanical side, they have the same effect as the corresponding mechanical components.

This is the idea with AC-bass, the apparent mechanical parameters can be controlled by the output impedance of the power amplifier. Basta! suggests values for Rac, Lac and Cac based on the desired virtual driver properties and simulates the system with the output impedance of the AC-bass amplifier as above. This allows for simulation of the non-ideal case when there is a lossy voice coil inductance and when there is a passive network, such as a conjugate link, present between the AC-bass amplifier and the driver. Note that the output impedance of the AC-bass power amplifier is normally created by current feedback in the power amplifier, like below, rather than using passive components on the output on the amplifier.

Note: The AC-bass method was originally presented in a master thesis at KTH in Stockholm, Sweden. The method was patented in the late 1970’s but the patent has now expired. Audio Pro AB has used the method under the name ACE-bassä and also licensed the technique to Yamaha.
Basta! uses an enhanced model for
the voice coil inductance Le and the loss due to eddy currents in
the pole piece. It is possible to disable the advanced model by setting the
loss factor to 1, but the simulation results are much better if the advanced
model is used.

The effect of Le and Le
loss. The blue impedance curves represent a driver with an Le loss
of 0.7, which is common for loudspeakers. For the red curves the Le
loss is 1, i.e. the inductance is ideal. The dashed curves have an Le
of 1 mH, the solid curves have an Le of 0.5 mH. It can be seen that
the Le loss determines the tilt of the impedance curve towards high
frequencies, and that Le acts as a factor, moving the curve upwards
at high frequencies for increased values of Le.
Since the data sheets from the
manufacturers rarely specify explicit data regarding suited for Basta!
simulations, they have to be manually obtained from measured impedance curve.
Such impedance curves are often published by the manufacturers. Below is an
example on how to determine the Le and Le loss values for
a Peerless driver using the impedance curve published on their web site.

Response
and impedance curves for Peerless 830874 as published on the web.

Simulation
in Basta! using the parameters from the data sheet (light blue). In this
simulation Le=1.2 mH as in the data sheet and the Le loss
is 1 (disabled). The pink curve has Le=0.55 mH and Le
loss=0.7. The Le and Le loss values for the pink curve
has been obtained by making the response window transparent and putting it on
top of the Peerless response curve and adjusting the values for a best fit
manually.

The
transparent Basta! response window on top of the Peerless graph. Note the good
agreement between the pink dashed line and the black solid line, i.e. the
simulated and the measured impedance. Also, note the poor match between the
light blue dashed curve and the black curve, i.e. the ideal inductance model
and the measured impedance.
The "baffle step" occurs when a loudspeaker driver is mounted in a baffle of finite size. The baffle step is an increase in the frequency response at high frequencies of approximately 6 dB. Between “high” and “low” frequencies there is a transition region, and the exact response in the transition region depends on the geometry of the baffle and the placement of the drivers on the baffle.
An intuitive explanation of the baffle step for a closed box is as follows: At low frequencies the driver essentially radiates in full space since the baffle is small compared to the wavelength. At high frequencies, when the baffle is acoustically large, it radiates only in the front half space. When a source is mounted near or in an acoustically large reflective surface there is a mirror source from the surface that effectively doubles the sound pressure in front of the surface. Thus, at high frequencies the sound pressure is twice the pressure at low frequencies, or + 6 dB. Basta! uses the geometrical theory of diffraction (GTD) to estimate the transition between low and high frequencies.
Below two baffle layouts are shown to exemplify how Basta! implements GTD. To illustrate the placement of the edge sources clearly, the driver is only assigned one source here. This single source is assigned 36 edge sources. The edge sources are of equal magnitude and each source represents the sound radiating toward the edge of the baffle in a sector of 10° (=1/36 of a turn). These sectors also determine the placement of the edge sources; the turn, centred at the driver source, is divided in 10° sectors and one edge source is placed at the edge in each sector. The amplitude of each edge source is -1/36 and the signal is delayed by the distance between the edge source and the driver source. The driver source also has a mirror source of the same amplitude.
For low frequencies, the signals from all edge sources occur in phase, and the sum of their amplitudes is -1 which makes the total sum of the edge sources, the mirror source and the driver source –1+1+1=1 or 0 dB. In effect the edge sources cancel the mirror source, which is consistent with that the driver radiates in full space. At sufficiently high frequencies the acoustic distance to each edge source is significantly different from the others and their sum approaches zero, since their phase become approximately even distributed between 0° and 360°. Thus, for high frequencies, the edge sources cancel each other and the only sources left are the driver source and its mirror with an amplitude of 1+1=2, or +6 dB, which is 6 dB higher than at low frequencies. Between “low” and “high” frequencies there is a region when the phase relation between the driver and edge sources vary in a complex manner, the amplitude can fall between 0 dB and +9.5 dB. Often it is desirable to obtain a smooth baffle step, such that compensation for it becomes simple, but in some cases there can be an advantage in other shapes of the baffle step curve. Since Basta! models many aspects of loudspeaker design, the baffle step can easily be put in the context of a particular design in order to achieve an overall flat response.

The Baffle designer with two placements of a single source driver. It can be seen that when the driver is moved near the edge, edge sources are gathered there. This is a direct consequence of the near edges covering a greater part of the turn around the driver source. Note that the purpose of setting the driver source density in this figure to 1 is purely pedagogical. It should normally be set to 5 or higher.

The baffle step for the two driver placements in the above figure.